BUILD AN ATTENUATOR
WHY YOU NEED AN ATTENUATOR
Instruments and soundcards can put out too much signal for the inputs of your mixer or multitrack. Instruments often
use headphone outputs instead of line outputs. An attenuator is needed for such instrument outputs. Soundcard outputs
come in two types. A soundcard with a line output has two output jacks, one for speaker outputs, and the other for line
out. Other soundcards have speaker outputs, but no line outputs. An attenuator is needed to obtain a line signal from the
second type.
Most powered computer speakers expect to be powered by a headphone or speaker output, and load the signal lines
accordingly. So the speaker output of the soundcard is expecting to be loaded down with a low impedance. A soundcard
speaker output is nominally designed for 1 or 2 volts output max at 8 ohms.
BUT...
If the soundcard output is fed unloaded (no 8-ohm load connected) into a line input, things are different. Depending
on the design of the soundcard, the output can go as high as 20 volts without the 8-ohm load attached. So you need an
attenuator to cut the power of this output down to a level safe for your equipment. Distortion can also result from
improper loading.
BUILDING AN ATTENUATOR
You can build an attenuator cheaply if you can't buy one. The following attenuator is for obtaining a line-level
signal from speaker outputs on soundcards and from headphone jacks on music keyboards:
- Get the following parts:
- (1) 6' shielded patchcord 1/4" TS phone plug to 1/4" TS phone plug
- (1) 6' shielded patchcord with 1/8" TRS phone plug on one end (the other end will be discarded)
Note: If you are interfacing a keyboard, instead of a computer, get a cable with an end that fits the keyboard.
Note: If you need two units, get a 12' cable with TRS plugs on both ends. Cut it in half in the middle, instead of
cutting off one end, and buy a double order of everything else.
- (2) 15-ohm 2-watt resistors (brown-green-black) (20-ohm will do - red-black-black)
- (4) 1K 1/4 watt resistors (Brown-black-red)
- (1) piece of wood 6" x 2" x 3/4"
- (2) #6 wood screws 3/4" long
- (1) package of cable ties
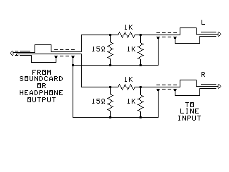
- (1) 6-terminal 12-screw barrier strip (2 screws per connection) with terminals internally connected as follows
(lines connect terminals):
o o o o o o
| | | | | |
o o o o o o
- You will also need screwdrivers to fit the screws, wire cutters, and wire strippers.
- Assemble it as follows:
- Mount the terminal strip centered on the wood with the screws. Now turn the wood so the ends of the terminal strip
point left and right for the remaining steps.
- Mark the terminals 1 to 6 in order from left to right. The two rows of terminals will be designated the upper
row and the lower row.
- Cut the 1/4" plug patchcord in half in the middle.
- Remove the sheath back 1.5 inches on both cut ends. Separate the shields from the center conductors, and strip the
center conductors 3/8" back from the ends. Twist the strands of the shields together.
- Cut the 1/8" plug patchcord about 6" from one end (the OTHER end MUST have the 1/8" TRS plug). NOTE: If you
are making two, cut the 1/8" patchcord into two equal lengths.

- Cut a 2" piece of cable from the short end. Discard the rest of short end (or save it for another use).
Note: If you bought the 12' patchcord to make two units, only one 2" section must be cut, from the middle where you
cut it in half. You get 2 short wires out of the one 2" piece, one for each attenuator.
- Pull the wires out of the 2" cut piece. Strip the ends of one of the insulated wires back 3/8"
- Remove about 3" of sheath from the cut end of the long piece of 1/8" plug patchcord. Strip the center conductors
back 3/8". Twist the strands of the shield together.
- In the following 6 steps, shorten the leads of the resistors if necessary, so there are no long lengths of
bare lead exposed.
- Connect one 15-ohm resistor between lower terminals 2 and 3. Tighten terminal 3, but leave 2 loose.
- Connect the other 15-ohm resistor between lower terminals 4 and 5. Tighten terminal 4, but leave 5 loose.
- Connect one 1K resistor between lower terminals 1 and 2. Tighten the terminals. Place the resistor so its leads
cannot touch the lead to terminal 3.
- Connect the other 1K resistor between lower terminals 5 and 6. Tighten the terminals. Place the resistor so its
leads cannot touch the lead to terminal 4.
- IF your output is expected to exceed 2 volts, connect one 1K resistor between lower terminals 1 and 3, after
loosening those screws. Then tighten the screws. Place the resistor so its leads cannot touch the lead to
terminal 2.
- IF your output exceeds 2 volts, also connect one 1K resistor between lower terminals 4 and 6, after loosening
those screws. Then retighten the screws. Place the resistor so its leads cannot touch the lead to terminal 5.
- Cut off any excess length of the shields of all of the cables, until the shield sticks out only 5/8" from the
sheath. Do not trim back the insulated center conductors.
- Twist together the shield of the 1/8" cable, the shield of ONE of the 1/4" cables, and one end of the 2" wire.
Connect them to upper terminal 3.
- Twist together the shield of the remaining 1/4" cable and the other end of the 2" wire. Connect them to upper
terminal 4.
- Look at the colors of the insulated center conductors of the 1/8" plug cable. Connect the one that is NOT red to
upper terminal 2. (If neither one is red, see the footnote below.)
- Connect the red center conductor of the 1/8" plug cable to upper terminal 5.
- Find the 1/4" plug cable with its shield already connected to upper terminal 3. Connect the insulated center
conductor of this cable to upper terminal 1.

- Mark the plug on this cable "L".
- Connect the insulated center conductor of the remaining 1/4" plug cable to upper terminal 6.
- Mark the plug on this cable "R".
Bind the two 1/4" plug cables together at 6" intervals (except the last foot
of the plug ends) with cable ties to reduce hum.
- Plug the 1/8" plug into the soundcard, and the two 1/4" plugs into your mic/line inputs.
Footnote: If neither insulated wire in the 1/8" plug cable is red, use a continuity
tester or ohmmeter to find out which wire goes to the ring (the contact in between the
other two contacts) of the plug. Think of the color of that wire as "red".
Footnote: If the left and right channels are reversed, you have a nonstandard sound
card. Trade the wire on upper terminal 2 with the one on upper terminal 5.
Footnote: If the signal is still too powerful for your trim control, add another
pair of 1K resistors, one across screws 1 and 3, and one across screws 4 and 6. If
the signal is too weak instead, change the resistors across screws 1 and 3, and
across 4 and 6, to 5 K instead of 1 K.
Links
- HOME
- MIXING YOUR OWN SOUND