RELAY IMPLEMENTATIONS OF
FLASHING YELLOW ARROWS
Making older signal controllers work with Flashing Yellow Arrows:
While many older signal controllers can't be programmed to directly work with Flashing Yellow Arrows (FYA), they can be
fooled into using them with simple relay logic. As far as the controller is concerned, it is running an exclusively
protected left turn sequence. And although older conflict monitors can't deal with FYA, they can still be used to prevent
the most dangerous combinations.
Note that the first three implementations do not use overlap phases. This allows this method to be used where overlap
phases are all in use, or where they do not exist. But be careful that the overlap phases used for right turns do not cause
Second Yellow Trap.
Note that more than one of these circuits can be used where more Flashing Yellow Arrows are needed. The FYA faces should
usually be installed in pairs. Also note that the relays can be solid state relays (SSR) properly matched to the voltages
and currents being controlled.
The relays placed after the load switches must be able to handle the currents of the lamps, with plenty of capacity to
spare. The relays before the load switches can be small signal relays.
WARNING: This must be implemented by a properly trained engineer who knows the dangers of yellow trap.
Because the wrong application of these ideas can endanger lives, this must not be done by politicians or electricians who
do not fully understand the dangers. Specifically, the flashing yellow arrow face MUST be tied to the oncoming straight
ahead phase, NOT the straight ahead phase for the same approach the flashing yellow arrow face is on.
Permissive Left for Yellow Trap Problem with no Left Turn Phase
No Relays
This is used where the flashing yellow arrow is needed to prevent yellow trap from an opposing left turn phase or
a pre-emption.
| Basic Monitor | Programmable Monitor |
| Lamp | Con- flict | Dark Face | Burn Out |
Con- flict | Dark Face | Burn Out |
| Φ2 R | Yes | Yes | No | Yes | Yes | No* |
| Φ2 Y | Yes | Yes | No | Yes | Yes | No* |
| Φ2 G | Yes | Yes | No | Yes | Yes | No* |
| D2 R | Yes | Yes | No | Yes | Yes | No* |
| D2 Y | Yes | Yes | No | Yes | Yes | No* |
| D2 FY | Yes | Yes | No | Yes | Yes | No* |
* The second load switch (D2) shown can be used to improve conflict monitoring, making these entries Yes.
The phase D2 is the left turn that turns across the phase Φ2. This circuit derives it from Φ2. It does
not exist in the controller.
| Sequence |
| Signal | 1 | 2 | 3 |
4 | 5 | 6 |
| Φ2 | R | G | Y | R | R | - |
| O2 | R | FY | Y | R | R | - |
| Other | R | R | R | R | OK | - |
SSR = Solid State Relay.
|
Protected/Permissive Left for Yellow Trap Problem with No Overlap Phase
Relays After the Load Switches
This is used where the flashing yellow arrow is needed to prevent yellow trap from an opposing left turn phase or
a pre-emption.
| Basic Monitor | Programmable Monitor |
| Lamp | Con- flict | Dark Face | Burn Out |
Con- flict | Dark Face | Burn Out |
| Φ2 R | Yes | Yes | Yes | Yes | Yes | Yes |
| Φ2 Y | Yes | Yes | Yes | Yes | Yes | Yes |
| Φ2 G | Yes | Yes | Yes | Yes | Yes | Yes |
| Φ1 R | Yes | No | Yes | Yes | Yes | Yes |
| Φ1 Y | Yes | No | Yes | Yes | Yes | Yes |
| Φ1 FY | Yes | No | No | Yes | Yes | Yes |
| Φ1 G | Yes | No | Yes | Yes | Yes | Yes |
The phase Φ1 is the left turn that turns across the phase Φ2.
The dummy loads will not affect the conflict monitor's ability to detect lamp burnout if there are red clearance
periods on all affected phases, because:
- There will then be sufficient periods of time when the real lamp is connected and the load switch is on, and also
when it is off.
- There will also be sufficient periods when any extra lamp is disconnected and the load switch is on, and also
when it is off.
The dummy loads prevent false tripping when no lamp is connected.
Dummy loads are not needed with the programmable monitors.
| Sequence |
Lead Left | 1 | 2 | 3 | 4 |
5 |
6 | 7 | 8 | 9 |
| Φ1 | R | G | Y | R | FY | Y | R | R | - |
| Φ2 | R | R | R | R | G | Y | R | R | - |
| Other | R | R | R | R | R | R | R | OK | - |
Lag Left | 1 | 2 | 3 | 4 |
5 |
6 | 7 | 8 | 9 |
| Φ1 | R | FY | Y | R | G | Y | R | R | - |
| Φ2 | R | G | Y | R | R | R | R | R | - |
| Other | R | R | R | R | R | R | R | OK | - |
Protects one left-turn and opposing straight-ahead pair from yellow trap.
|
Protected/Permissive Left for Yellow Trap Problem with No Overlap Phase
Relays Before the Load Switches
This is used where the flashing yellow arrow is needed to prevent yellow trap from an opposing left turn phase
or a pre-emption.
| Basic Monitor | Programmable Monitor |
| Lamp | Con- flict | Dark Face | Burn Out |
Con- flict | Dark Face | Burn Out |
| Φ2 R | - | - | - | Yes | Yes | Yes |
| Φ2 Y | - | - | - | Yes | Yes | Yes |
| Φ2 G | - | - | - | Yes | Yes | Yes |
| Φ1 R | - | - | - | Yes | Yes | Yes |
| Φ1 Y | - | - | - | Yes | Yes | Yes |
| Φ1 FY | - | - | - | Yes | Yes | Yes |
| Φ1 G | - | - | - | Yes | Yes | Yes |
The phase Φ1 is the left turn that turns across the phase Φ2.
| Sequence |
Lead Left | 1 | 2 | 3 | 4 |
5 |
6 | 7 | 8 | 9 |
| Φ1 | R | G | Y | R | FY | Y | R | R | - |
| Φ2 | R | R | R | R | G | Y | R | R | - |
| Other | R | R | R | R | R | R | R | OK | - |
Lag Left | 1 | 2 | 3 | 4 |
5 |
6 | 7 | 8 | 9 |
| Φ1 | R | FY | Y | R | G | Y | R | R | - |
| Φ2 | R | G | Y | R | R | R | R | R | - |
| Other | R | R | R | R | R | R | R | OK | - |
Protects one left-turn and opposing straight-ahead pair from yellow trap.
|
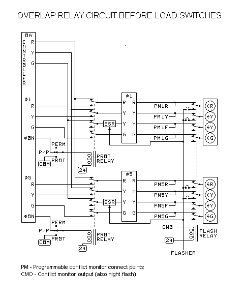
Protected/Permissive Left for Yellow Trap Problem with One Overlap Phase
Relays After the Load Switches
This is used where the flashing yellow arrow is needed to prevent yellow trap from an opposing left turn phase
or a pre-emption.
Uses one overlap phase to control both left turn signals. This version does not have to stop the flashing
yellow arrow movement before starting the green arrow.
| Basic Monitor | Programmable Monitor |
| Lamp | Con- flict | Dark Face | Burn Out |
Con- flict | Dark Face | Burn Out |
| Φ1,5 R | Yes | No | No | Yes | Yes | Yes |
| Φ1,5 Y | Yes | No | No | Yes | Yes | Yes |
| Φ1,5 FY | No | No | No | Yes | Yes | Yes |
| Φ1,5 G | Yes | No | No | Yes | Yes | Yes |
The phase Φ1 is the left turn that turns across the phase Φ2.
The phase Φ5 is the left turn that turns across the phase Φ6.
Overlap Phase OA is green whenever Φ1, Φ2, Φ5, or Φ6 is green.
Lamp and dark face checking is not possible with the basic monitor.
| Sequence |
Lead Left | 1 | 2 | 3 | 4 |
5 |
6 | 7 | 8 | 9 | 10 |
11 |
| Φ1 | R | G | G | G | Y | R | FY | Y | R |
R | - |
| Φ2 | R | R | R | R | R | R | G | Y | R |
R | - |
| Φ5 | R | G | Y | R | FY | FY | FY | Y | R |
R | - |
| Φ6 | R | R | R | R | G | G | G | Y | R |
R | - |
| OA | R | G | G | G | G | G | G | Y | R |
R | - |
| Other | R | R | R | R | R | R | R | R | R |
OK | - |
Lag Left | 1 | 2 | 3 | 4 |
5 |
6 | 7 | 8 | 9 | 10 |
11 |
| Φ1 | R | FY | FY | FY | FY | FY | G | Y | R |
R | - |
| Φ2 | R | G | G | G | Y | R | R | R | R |
R | - |
| Φ5 | R | FY | FY | FY | G | G | G | Y | R |
R | - |
| Φ6 | R | G | Y | R | R | R | R | R | R |
R | - |
| OA | R | G | G | G | G | G | G | Y | R |
R | - |
| Other | R | R | R | R | R | R | R | R | R |
OK | - |
Lead- Lag | 1 | 2 | 3 | 4 |
5 |
6 | 7 | 8 | 9 | 10 |
11 |
| Φ1 | R | G | Y | R | FY | FY | FY | Y | R |
R | - |
| Φ2 | R | R | R | R | G | G | G | Y | R |
R | - |
| Φ5 | R | FY | FY | FY | FY | FY | G | Y | R |
R | - |
| Φ6 | R | G | G | G | Y | R | R | R | R |
R | - |
| OA | R | G | G | G | G | G | G | Y | R |
R | - |
| Other | R | R | R | R | R | R | R | R | R |
OK | - |
Protects two left-turn and straight-ahead pairs on the same street from yellow trap.
|
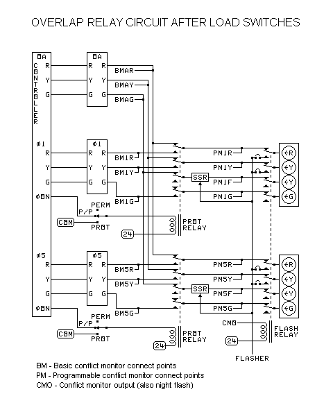
Protected/Permissive Left for Yellow Trap Problem with One Overlap Phase
Relays Before the Load Switches
This is used where the flashing yellow arrow is needed to prevent yellow trap from an opposing left turn phase or
a pre-emption.
Uses one overlap phase to control both left turn signals. This version does not have to stop the flashing yellow
arrow movement before starting the green arrow.
| Basic Monitor | Programmable Monitor |
| Lamp | Con- flict | Dark Face | Burn Out |
Con- flict | Dark Face | Burn Out |
| Φ1,5 R | - | - | - | Yes | Yes | Yes |
| Φ1,5 Y | | - | - | Yes | Yes | Yes |
| Φ1,5 FY | - | - | - | Yes | Yes | Yes |
| Φ1,5 G | - | - | - | Yes | Yes | Yes |
The phase Φ1 is the left turn that turns across the phase Φ2.
The phase Φ5 is the left turn that turns across the phase Φ6.
Overlap Phase OA is green whenever Φ1, Φ2, Φ5, or Φ6 is green.
| Sequence |
Lead Left | 1 | 2 | 3 | 4 |
5 |
6 | 7 | 8 | 9 | 10 |
11 |
| Φ1 | R | G | G | G | Y | R | FY | Y | R |
R | - |
| Φ2 | R | R | R | R | R | R | G | Y | R |
R | - |
| Φ5 | R | G | Y | R | FY | FY | FY | Y | R |
R | - |
| Φ6 | R | R | R | R | G | G | G | Y | R |
R | - |
| OA | R | G | G | G | G | G | G | Y | R |
R | - |
| Other | R | R | R | R | R | R | R | R | R |
OK | - |
Lag Left | 1 | 2 | 3 | 4 |
5 |
6 | 7 | 8 | 9 | 10 |
11 |
| Φ1 | R | FY | FY | FY | FY | FY | G | Y | R |
R | - |
| Φ2 | R | G | G | G | Y | R | R | R | R |
R | - |
| Φ5 | R | FY | FY | FY | G | G | G | Y | R |
R | - |
| Φ6 | R | G | Y | R | R | R | R | R | R |
R | - |
| OA | R | G | G | G | G | G | G | Y | R |
R | - |
| Other | R | R | R | R | R | R | R | R | R |
OK | - |
Lead- Lag | 1 | 2 | 3 | 4 |
5 |
6 | 7 | 8 | 9 | 10 |
11 |
| Φ1 | R | G | Y | R | FY | FY | FY | Y | R |
R | - |
| Φ2 | R | R | R | R | G | G | G | Y | R |
R | - |
| Φ5 | R | FY | FY | FY | FY | FY | G | Y | R |
R | - |
| Φ6 | R | G | G | G | Y | R | R | R | R |
R | - |
| OA | R | G | G | G | G | G | G | Y | R |
R | - |
| Other | R | R | R | R | R | R | R | R | R |
OK | - |
Protects two left-turn and straight-ahead pairs on the same street from yellow trap.
|
Note that the last four systems have switches for changing the mode to exclusively protected, protected/permissive,
or exclusively permissive. These switches must not be moved unless all signals for the street they control are red.
Using these circuits with a standard NEMA Dual Ring configuration:
| Configuration | Model Phase | Additional Phases |
| Exclusively Permissive FYA | Φ2 (D2 is Φ1 turn) | Φ6 & D2 |
Φ4 & D4 | Φ8 & D8 |
| Prot/Perm FYA No Overlap | Φ1 & Φ2 | Φ5 & Φ6 |
Φ3 & Φ4 | Φ7 & Φ8 |
| Overlap phase | OA if Φ1, Φ2, Φ5 or Φ6 |
OB if Φ3, Φ4, Φ7, or Φ8 |
| Prot/Perm FYA With Overlap | Φ1, Φ5, & OA | Φ3, Φ7 & OB |
Note that the normal pedestrian phases can be used with Φ2, Φ6, Φ4, or Φ8
Right turn arrows should not be used with overlap phases, or
Second Yellow Trap will occur.
|
STANDARD NEMA PHASE ASSIGNMENT |
| |  |  |
| |
| | 4 | 7 | 6 |
 |
 | 5 | | 1 |
 |
 | 2 | 3 | 8 | |
| | |  |
 | |
Phase 2 is the main road, northbound or eastbound. |
|
Proof These Systems Are Safe
When Properly Installed by Trained Engineers
- System Without Left Turn Phase
- The flashing yellow arrow signal displays the same indications as the oncoming thru signal, excepting the
flashing yellow arrow replacing the green.
- Since the flashing yellow arrow changes to steady yellow at the same time the opposing thru signal, yellow trap
can not occur.
- Systems With Left Turn Arrows, but No Overlaps
- When phase Φ1 is not active:
- The Φ1 PROT relay is not energized.
- The signal face follows the face for Φ2.
- When Φ2 is green, the flashing yellow arrow flashes.
- Φ1 and Φ2 cannot be active at the same time.
- When phase Φ1 is active:
- The Φ1 PROT relay is energized.
- The signal face follows Φ1.
- The flashing yellow arrow is disabled.
- Φ1 and Φ2 cannot be active at the same time.
- When the signal changes:
- Φ1 and Φ2 cannot be active at the same time.
- The Φ1 PROT relay energizes when Φ1 comes on. Both Φ1 and Φ2 must be red at the time.
- The Φ1 PROT relay releases when Φ1 turns off. Both Φ1 and Φ2 must be red at the time.
- Φ2 must have at least a 2-second red clear to meet
MUTCD requirements.
- All changes from green to yellow do not change the relay position.
- All changes from yellow to red do not change the relay position if a red clearance period is timed.
- Phase Φ5 behaves the same way.
- Systems With Left Turn Arrows and an Overlap
- When phase Φ1 is not active:
- The Φ1 PROT relay is not energized.
- The signal face follows overlap phase OA.
- Overlap OA is green whenever Φ1, Φ2, Φ5, or Φ6 is green.
- When OA is green, the flashing yellow arrow flashes, because the PROT relay is not energized.
- Φ1 and OA can be active at the same time.
- When phase Φ1 is active:
- The Φ1 PROT relay is energized.
- The signal face follows Φ1.
- The flashing yellow arrow is disabled.
- Φ1 and OA can be active at the same time.
- When the signal changes:
- Φ1 and OA can be active at the same time.
- The Φ1 PROT relay energizes when Φ1 comes on. If OA is red at the time, the left turn arrow face changes
from red arrow to green arrow.
- The Φ1 PROT relay energizes when Φ1 comes on. If OA is green at the time, the left turn face changes
from flashing yellow arrow to green arrow.
- The Φ1 PROT relay releases when Φ1 turns off. If OA is red at the time, the left turn face stays
on red arrow.
- The Φ1 PROT relay releases when Φ1 turns off. If OA is green at the time, the left turn face changes
from red arrow to flashing yellow arrow.
- OA can never show a yellow during any of the times when the relay energizes or releases.
- All changes from green to yellow do not change the relay position.
- All changes from yellow to red do not change the relay position if a red clearance period is timed.
- Phase Φ5 behaves the same way.
- Failure of the relay to energize or release will cause the system to default to exclusively permissive or exclusively
protected. Other failures in the relay will activate the conflict monitor.