SIMPLE CIRCUITS FOR SELECTING
BETWEEN SERIES OR PARALLEL OPERATION
OF LAMPS AND IMPEDANCES

Simple Low Voltage Light Bulb Circuits

The following circuits are the simple circuits that can be used for low voltage uses. They were also used for photoflood lighting circuits before the necessity was known of having the screw shell of a line-voltage operated lamp on the neutral side, in case the bulb is removed. The requirement of polarized plugs with the screw shell connected to the neutral blade makes these circuits technically illegal to use today for permanently installed line-voltage circuits. They can be used for cord and plug connected switchboxes provided all plugs are disconnected before any bulbs are changed.

Here is a list of the items commonly switched with these circuits, and the constraints each kind imposes on the design:

The SEPAR circuit numbers used here have been used by the page author for years to catalog the various circuits.

The following variations are permitted when low voltage lamps are used in series-parallel switching circuits.

The same circuits can be used for switching impedances and nonpolarized heating elements.

SIMPLE SWITCHING
  • The Original Photoflood Series-Parallel Switchbox for Two Lamps.

    This has been used for high-color-temperature short-life photoflood lamps to conserve the lives of these bulbs since the 1930s. The lamps are dimmed while the photographer is setting up the shot.

    The switch is set to the dim position while the photographer sets up the shot, and the bright position during the actual photography. There is no center off position in this version.

    2 switch settings.

  • SEPAR 201 (a modification of the Original Photoflood Series-Parallel Switchbox)

    This is a modification of the above circuit, adding a center position on the switch to turn the lights off.

    The switch is set to the dim position while the photographer sets up the shot, and the bright position during the actual photography. The center position turns off the lights.

    3 switch settings, all unique & useful.

SEPAR 201
  • SEPAR 202 (The page author's answer to a puzzle in a magazine)

    SWITCHLAMP
    AB12
    oooffoff
    oBONON
    AoDIMDIM
    ABONoff

    The Photoflood Series-Parallel Switching puzzle in a magazine in the 1940s showed a series-parallel switching circuit someone tried, using the same parts, but connected differently. But if the switches were set wrong, it shorted out the power line, blowing a fuse. The magazine then said there was a way to connect them that did not short out the power. This was my answer.

    Note that the switch position with the letter on it is the position indicated by that letter in the table. It also identifies the switch.

    The letter o identifies the remaining switch position.

    † is useful for photofloods.

    SEPAR 202

    4 switch settings,
    all unique & useful.

  • SEPAR 203 and SEPAR 204 (A circuit the page author built in 1984 and modified in 2004)

    SWITCHLAMP
    AB C12
    oooffoff
    oBDIMDIM
    oCoffON
    AoONoff
    ABONoff
    ACONON

    This Series-Parallel Switching Circuit was originally built to put two electric fans in series or parallel, or to turn on either fan alone. All possible combinations of series and parallel are possible, including off.

    A later version of this series-parallel switching circuit (SEPAR 204) was built to conform to the requirements of line voltage circuits. The switch positions are exactly the same, but the live connections are removed if the neutral side is opened.

    Note that any switch position with a letter on it is the position indicated by that letter in the table.

    SEPAR 203

    6 switch settings,
    5 unique & useful.

  • SEPAR 301 (Built by page author in 1963)

    SWITCHLAMP
    AB CD123
    ooooffoffoff
    ooDONoffoff
    oBoDIMDIMoff
    oBDONoffoff
    oCooffoffoff
    oCDONONoff
    AooDIMDIMDIM
    AoDONoffoff
    ABoDIMDIMoff
    ABDONoffoff
    ACooffoffON
    ACDONONON
    SEPAR 301

    12 switch positions,
    7 unique & useful.

    Designed by author while playing with SEPAR 202 diagram on paper.

  • SEPAR 302 (1961 magazine, modified by page author)

    SWITCHLAMP
    ABCD123
    oooffoffoff
    ooCoDIMDIMoff
    ooCDONoffoff
    oBCooffONoff
    oBCDONONoff
    AoooDIMoffDIM
    AooDDIMDIMDIM
    ABoooffoffON
    ABoDoffoffON
    AoCoDIMglimglim
    AoCDONoffoff
    ABCooffONON
    ABCDONONON
    SEPAR 302

    16 switch positions,
    11 unique & useful.

    The page author removed a switch, added switch A, and traded hot and neutral lines.

  • SEPAR 303 (Page Author, 1963)

    SWITCHLAMP
    AB123
    ooDIMDIMDIM
    oBoffoffON
    AoONoffoff
    ABONONON
    SEPAR 303

    Designed by author while playing with SEPAR 302 diagram on paper.

    4 switch settings,
    all unique & useful.

    Can be built with one double-pole switch if only the dim and all-on positions are needed, with only 2 switch settings.

  • SEPAR 305 (Page Author, 1965)

    SWITCHLAMP
    ABCD123
    oooffoffoff
    oooDoffoffoff
    ooCDONoffoff
    oBooDIMDIMoff
    oBoDoffoffoff
    oBCooffONoff
    oBCDONONoff
    AooDDIMDIMDIM
    AoCDONoffoff
    ABooDIMDIMON
    ABoDoffoffON
    ABCooffONON
    ABCDONONON
    SEPAR 305

    The page author's attempt to remember SEPAR 302 without the documents.

    16 switch settings,
    10 unique & useful.

  • SEPAR 310 (Page Author, 2013)

    SWITCHLAMP
    AB CD123
    ooooffoffoff
    ooDONoffoff
    oBoDIMDIMoff
    oBDONoffoff
    oCooffONoff
    oCDONONoff
    AooDIMDIMDIM
    AoDONoffoff
    ABoDIMDIMoff
    ABDONoffoff
    ACooffONoff
    ACDONONON
    SEPAR 310

    The page author added switch A and lamp 3 to SEPAR 203.

    12 switch settings,
    8 unique & useful.

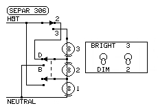
  • SEPAR 306 (Simple Controls - Page Author, 2006)

    SWITCHLAMP
    B-D2-3123
    DIM2DIMDIMoff
    DIM3DIMDIMDIM
    BRIGHT2ONONoff
    BRIGHT3ONONON

    A two-switch way to do two or three lamps. One switch controls bright or dim. The other switch selects 2 or 3 lamps.

    All 4 switch settings are useful.

    SEPAR 306
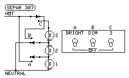
  • SEPAR 307 (Simple Controls - Page Author, 2006)

    SWITCHLAMP
    ABC123
    ooooffoffoff
    ooCoffoffON
    oBoDIMDIMoff
    oBCDIMDIMDIM
    AooONONoff
    AoCONONON
    ABoONoffoff
    ABCONoffoff

    Designed by author for a simplified control panel. Turn the first switch on for bright, or the second switch for dim. The third switch controls the number of lamps.

    8 switch settings,
    7 unique & useful.

    SEPAR 307
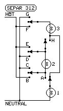
  • SEPAR 312 (Page Author, 2013)

    SWITCHLAMPS
    Settings123
    o †offoffoff
    EHONoffoff
    BDoffONoff
    DFHoffoffON
    CEH †ONONoff
    EGHONoffON
    BDFHoffONON
    CEGH †ONONON
    BH †DIMDIMoff
    FDIMoffDIM
    ACFHoffDIMDIM
    AFH †DIMDIMDIM
    ABGHONDIMDIM
    CEFDIMONDIM
    AEGHDIMDIMON
    BFHDIMGlimGlim
    BGHGlimDIMGlim
    CFHGlimGlimDIM
    SEPAR 312

    All possible combinations of series, parallel, parallel-series, and series-parallel can be switched with this circuit.

    All 18 possible output displays are shown, out of 108 switch settings.*

  • SEPAR 402A (Page Author, 2006)

    SWITCHLAMPS
    Settings1234
    o †offoffoffoff
    ABONoffoffoff
    BCEoffONoffoff
    ACDoffoffONoff
    DEoffoffoffON
    ABCE †ONONoffoff
    ABDEONoffoffON
    BCDoffONONoff
    ACDEoffoffONON
    ABCD †ONONONoff
    BCDEoffONONON
    ABCDE †ONONONON
    CE †DIMDIMoffoff
    ACoffoffDIMDIM
    AD †DIMDIMDIMoff
    BEoffDIMDIMDIM
    A †GlimGlimGlimGlim
    CDDIMDIMONoff
    BCoffONDIMDIM
    C †DIMDIMDIMDIM
    ADEONDIMDIMDIM
    ABEDIMDIMDIMON
    CDEDIMDIMONON
    ABCONONDIMDIM
    SEPAR 402

    Minimal circuit for 2, 3, or 4 lamps.

    All settings formerly useful for photofloods shown as †

    All 24 possible output displays shown, out of 32 switch settings.*

  • SEPAR 401

    SWITCHLAMPS
    SWITCHLAMPS
    Settings1234 Settings1234
    o †offoffoffoff ACGJ †DIMDIMoffoff
    ABONoffoffoff AEJDIMoffDIMoff
    BCFoffONoffoff AHLDIMoffoffDIM
    DFJoffoffONoff CEFJoffDIMDIMoff
    JKoffoffoffON CFHLoffDIMoffDIM
    ABCF †ONONoffoff DFLoffoffDIMDIM
    ABDFJONoffONoff ACDJ †DIMDIMDIMoff
    ABJKONoffoffON ACGLDIMDIMoffDIM
    BCDFJoffONONoff AELDIMoffDIMDIM
    BCFJKoffONoffON BCDKoffDIMDIMDIM
    DFJKoffoffONON ACDL †GlimGlimGlimGlim
    ABCDFJ †ONONONoff (P-S)----
    ABCFJKONONoffON ACGJKDIMDIMoffON
    ABDFJKONoffONON AEJKDIMoffDIMON
    BCDFJKoffONONON ABCGKONDIMoffDIM
    ABCDFJK †ONONONON ABEKONoffDIMDIM
    (S-P)---- BCDFLoffONDIMDIM
    ACEGJDIMGlimGlimoff CEFJKoffDIMDIMON
    ACEFJGlimGlimDIMoff ABCDFLONONDIMDIM
    ACFHLGlimGlimoffDIM ACDJKDIMDIMDIMON
    ADFHLGlimoffGlimDIM ABCDKONDIMDIMDIM
    CDFHLoffGlimGlimDIM (P-S-P)----
    ACEFLGlimGlimDIMDIM ACEFJKGlimGlimDIMON
    ACEGLDIMGlimGlimDIM ACEGJKDIMGlimGlimON
    ACDFHLGlimGlimGlimDIM ABCEGKONGlimGlimDIM
    SEPAR 401

    The page author got a plywood board with this circuit on it, made with knife switches and sockets, at a school surplus-materials auction.

    It provides all series combinations and all parallel combinations.

    All 47 possible output displays shown, out of 648 switch settings.*

KEY TO TABLE ENTRIES

ON
  - Connected directly to power

DIM
  - 2 or 3 lamps in series
  - series in a series-parallel

Glim
  - 4 or more lamps in series
  - parallel in a series-parallel

off
  - No current through lamp


  - Switch position unimportant

*
  - All possible displays shown.
  - Redundant combos not shown.


  - Former settings for photofloods

Letters indicate closed switches.

No letter for a switch, or an o for a switch, means the switch is open, or is in the unlabeled position.

  • SEPAR 409 (a modification of SEPAR 401)

    This is a modification of the above circuit, adding an extra switch and using all two-position switches.

    See the details on the SEPAR 409 page

    This is much more useful than SEPAR 401, providing two series of two lamps each.

    864 connected switch settings, 56 unique & useful, out of 4096 total.
    (3232 settings have multiple letter positions set in the same switch ladder.)

    One more position for safe bulb changing.

SEPAR 409
REGULAR SWITCHING MATRIX
  • SEPAR 300 (The First Polarized Series-Parallel Switchbox for Three Lamps)

    It was the first design where the switch positions were intuitive. The user could set the switches for the desired combination of series and parallel.

    For example, to connect lamps 1 and 2 in series:
    - Set lamp 1 to FST (first).
    - Set lamp 1 to the 1> (to) position.
    - Set lamp 2 to >1 (from 1).
    - Set lamp 2 to LST (last).
    - Set lamp 3 to o (off).

    It can leave a lamp connected to the hot side with no neutral connection, so the circuit cannot be used with line-voltage lamps.

    Almost all combinations are possible.

  • SEPAR 400 (A Four-Lamp Version of SEPAR 300)

    This system is expandable to SEPAR n00 for n lamps by adding these for each additional lamp:
    - Another column of the switches and its lamp
    - Another position on each rotary switch
    - Another horizontal bus wire

SEPAR 300

512 settings
Some are redundant.

  • SEPAR 330 (Advanced Polarized Series-Parallel Switchbox for Three Lamps)

    The switch positions were intuitive. The user could set the switches for the desired combination of series and parallel by looking at the labels.

    For example, to connect lamps 1 and 2 in series:
    - Set lamp 1 to FST (first) by not selecting any < (from) positions.
    - Set lamp 1 to the 1> (to) position.
    - Set lamp 2 to <1 (from 1).
    - Other lamp 2 switches must not be set to a < position.
    - Set lamp 2 to LST (last).
    - Set lamp 3 to o (off).

    It can leave a lamp connected to the hot side with no neutral connection, so the circuit cannot be used with line-voltage lamps.

    All combinations are possible.

  • SEPAR 440 (A Four-Lamp Version of SEPAR 330)

    This system is expandable to SEPAR nn0 for n lamps by adding these for each additional lamp:
    - Another column of the switches and its lamp
    - Another double-pole double-throw switch to each column
    - Another horizontal bus wire

SEPAR 330

1728 settings
Some are redundant.

  • SEPAR 333 (Attempt to make a neutral-safe Series-Parallel Switchbox for Three Lamps)

    This is basically the SEPAR 330 with extra poles on the switches to disconnect the live phase if no current path to the neutral from the live phase exists. The problem is that it is easy to fool the circuit into allowing a connection to hot without a current path. It is also possible to reverse the polarity of a lamp. Since it has no advantage over SEPAR 330, it is not shown.

    Epilog: The page author has since proved that it is impossible to make a switching circuit that can provide all possible combinations of series and parallel and that is also polarity-safe (never reverses lamp polarity) and neutral-safe (never connects lamp to hot without a path to a neutral connection).

  • SEPAR 444 (A Four-Lamp Version of SEPAR 333)

    This is not shown for the same reason. It was a dead-end project.

  • SEPAR nnn, n000, nnnn, and nnn9 (replace n with the number of lamps) were more interlocked versions of SEPAR 333 and 444). They were also dead-end projects for the same reason.
INFINITE SWITCHING MATRIX
  • SEPAR I-4 (an infinitely selectable system)

    This is a system designed so that each end of each lamp can be connected to whatever it needs to be connected to. It uses only two-position switches.

    This can connect the lamps or devices in any possible network with any polarity.

    Number of lamps: 4

    Number of interconnection buses: 3

    Number of rows of switches: 5

    Number of columns of switches: 8

    Number of switches: 40

    Number of nonequivalent combinations: 1679616

  • SEPAR I-n (an infinitely selectable system - replace n with number of lamps)

    This is the same as SEPAR I-4, but is expandable for any number of lamps.

    This can connect the lamps or devices in any possible network with any polarity.

    The extra rows and pairs of columns are added at the dashed ends.

    To add a lamp, add:
    - one lamp with its two switch columns
    - one switch row and bus

    The extra rows are lettered in reverse alphabetical order.

    Number of lamps: n

    Number of interconnection buses: n-1

    Number of rows of switches: n+1

    Number of columns of switches: 2n

    Number of switches: 2n (n+1) or 2n^2 + 2n

    Number of nonequivalent combinations: (n+2) ^ 2n

    Note that each column of n+1 two-position switches can be replaced with a single rotary switch with n+2 positions. This is SEPAR I-nZ.

    The panel at right is a SEPAR I-5.

SEPAR I-4

390625 nonequivalent settings
Some are redundant.

C = center contact

S = screw shell

SEPAR I-4 panel
  • not safe proof Using SEPAR I-5 infinitely selectable system for the proof circuit

    This is the proof that a switching circuit with all possibilities can't be polarity safe or neutral safe.

    The following switches are turned on (to the named positions).

    1HC - Lamp 1 center terminal is set to Hot

    1ZS - Lamp 1 screw shell is set to bus Z

    2HC - Lamp 2 center terminal is set to Hot

    2YS - Lamp 2 screw shell is set to bus Y

    3ZC - Lamp 3 center terminal is set to bus Z

    3YS - Lamp 3 screw shell is set to bus Y

    4ZC - Lamp 4 center terminal is set to bus Z

    4NS - Lamp 4 screw shell is set to Neutral

    5YC - Lamp 5 center terminal is set to bus Y

    5NS - Lamp 5 screw shell is set to Neutral

SEPAR I-5 proof

LINKS:

  1. SELECTING SERIES OR PARALLEL OPERATION (Main Page)
  2. LIGHT BULBS, SPECTRA, and HUMAN VISION
  3. Computers, Science, and Measurement