THE UQ-44 PASSIVE DECODER

BELIEVE IT OR NOT, THE PAGE AUTHOR ONCE BUILT A PASSIVE SPEAKER-MATRIX QUADRAPHONIC DECODER PLACED AFTER THE POWER AMP THAT CAN DECODE SQ AND MOST OTHER MATRIX SYSTEMS. IT EVEN HAS SEPARATION ENHANCEMENT LOGIC.

UniQuad Here are the details.

The details are essentially complete now.

The indicates a screw wire terminal or a screwdriver adjustment inside the case or on the back panel.

Note that this decoder can be expensive to build. The page author was lucky to get most of the parts at an auction.




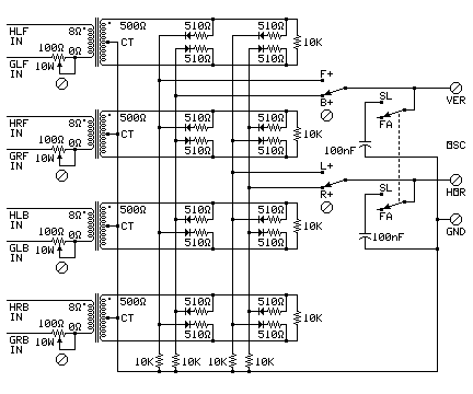
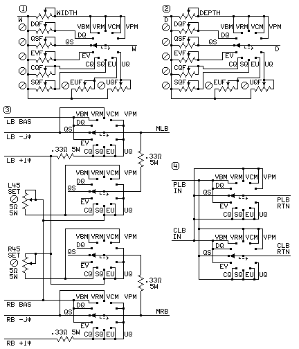
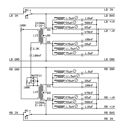
  1. The Phasors

    PART I - THE BASICS

    uq44 phasors

    Phasor Set

    Facts about how these phase-shifting networks were designed:

    1. The transformers were chosen to have higher current carrying capability.
       - They must have many turns in the windings and low resistance.
    2. Adjustable inductors with tuning slugs were used to set the inductance values.
    3. The values of inductors and capacitors were set empirically to get the desired results.
    4. A signal generator and an oscilloscope were used to set this up with the speakers to actually be used with it.
    5. An oscilloscope verified that +1ψ and -jψ were always at 90° phase angle to each other at all audio frequencies.
    6. The phasors are accurate from 30 Hz to 20 KHz.
    7. Capacitors were connected in series and/or parallel to get the needed values.
    8. Nonpolarized capacitors were used with at least 100 volt ratings.
    9. Inductors were chosen to have higher current carrying capability so they have low resistance.
    10. The LED is used to show the likelihood of the presence of matrix-encoded material in the incoming signal.
    11. The 100K resistor across the LED is not in the original design. It removes noise.
       
      For all diagrams on this page:
    12. All unlabeled diodes are small-signal germanium diodes.
    13. DI = discrete
    14. MX = matrix
    15. HA = Hall Ambience
    16. DS = Dolby Surround.
  2. Basic Front Matrix Decoding
    uq44 front decode

    Front Decode

    The front matrix decoder system:

    1. The two 3 Ω resistors and the 50 Ω WIDTH potentiometer on the signal side form a voltage divider between the left channel and right channel signal feeds.
    2. The two 3 Ω resistors on the ground side make sure there is a common ground between the front channels. It also provides the connection for the F-BAL adjustment.
    3. The F-BAL adjustment can widen the front WIDTH. It also is part of the Autovary device (In the Autovary section). If Autovary is not installed, set it to 2 ohms.
    4. A former version of this had circuitry between the LF IN and LF BAS terminals and between the RF IN and RF BAS terminals. These are now just wires.
    5. Adjustment of the WIDTH control sets the matrix decoding parameters for the front channels. It sets the amount of blend between the front channels.
      These are the values of the WIDTH control in ohms (assuming that 8-ohm speakers are used):
      MATRIX DsctDQEV-4QSSQEV-U UQCQHADS
      WIDTHbyp50.0 Ω12.0 Ω4.25 Ω 27.0 Ω12.0 Ω6.43 Ω5.33 Ω 4.25 Ω50.0 Ω
  3. Basic Back Matrix Decoding
    uq44 back decode

    Back Decode

    The back matrix decoder system:

    1. The Back Selector switch selects one of the four following general matrix types:
      • BM - BASIC MATRIX - A matrix using sum and difference mixing, but no phase shifts
        (e.g. EV4, DQ, and HA)
      • RM - REGULAR MATRIX - A matrix using phase shifters to avoid phase problems
        (e.g. QS)
      • CM - COMPATIBLE MATRIX- Plays the other three kinds when mixed on a record changer
        (e.g. CQ)
      • PM - PHASE MATRIX - A matrix coding back signals as circular or elliptical stylus motions
        (e.g. SQ, SQB, EVU, UQE, and also UM, H, and HR)
    2. The phase switch (in the output controls section) selects the phase of the left back channel to match the phase requirements of each matrix.
    3. The two 3 Ω resistors and the 50 Ω DEPTH potentiometer on the ground side form a T bridge between the left channel and right channel speakers.
    4. The L45 and R45 adjustments adjust the phase of the 45 degree relative phase shift. These set the phase for the back channels in the CM position.
    5. The indicates a screwdriver adjustment inside the case or on the back panel.
    6. Note that the speakers must be connected for the back decoder to work.
      If a speaker is disconnected the decoding angles are changed.
    7. Adjustment of the DEPTH control sets the matrix decoding parameters for the back channels. It sets the amount of antiblend between the back channels.
      These are the values of the DEPTH control in ohms (assuming that 8-ohm speakers are used):
      MATRIX DsctDQEV-4QSSQEV-U UQCQHADS
      DEPTHbyp10.9 Ω32.0 Ω5.65 Ω 5.33 Ω5.33 Ω3.75 Ω5.33 Ω 50.0 Ω50.0 Ω
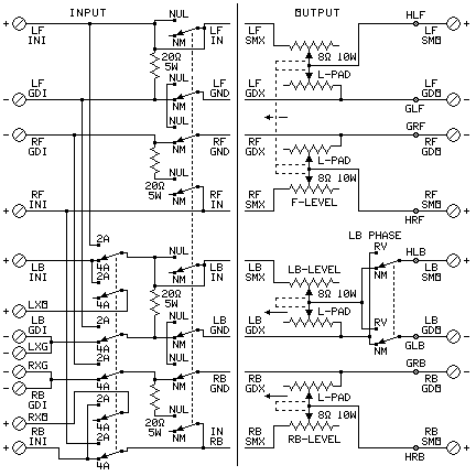
  4. Basic Input and Output controls
    uq44 input output

    Input and Output

    Basic Input Controls:

    1. The input Amplifier Selector selects whether a 2-channel amplifier or a 4-channel amplifier will drive the decoder and speakers:
      • 2A - A stereo (2 channel) amplifier is used drive the decoder and speakers
      • 4A - A 4 channel amplifier (or two stereo amplifiers) drive the decoder and speakers
      • For discrete quadraphonic sound, the 4A position must be used.
    2. When only the 2-channel amplifier source is being used, the other two channels are connected to the external outputs. If these are not used, 8Ω 20W resistors should be connected to these outputs.
    3. The NUL switch is used to adjust the balance of the amplifiers. Select NUL, Play a mono recording, and adjust the balance control of each stereo amplifier to get minimum sound from the speakers. Then set the switch back to NM.

    Basic Output Controls:

    1. The L-pads set the levels of the outputs to the speakers. The original UQ-44 has a ganged pair of L-pads for the front channels, but the back channels each have their own L-pads.
    2. The phase switch selects the phase of the left back channel.
    3. If the basic matrix selector is installed, the phase switch is changed to match the phase requirements of each matrix according to the table below. It can also be used to try different methods.
    4. If the preset matrix selector (below) is installed, the phase switch is automatically correct in the NM position. In this case, the manual phase switch is used to override the preset setting to try different methods.
    5. The circuit in the UMX and H Switches section diagram (below) is inserted at the points (right) labeled Hxx and Gxx (where xx is the quadraphonic channel) in the output diagram.
    6. The Matrix Presets and the Speaker Orientation Rotation circuits (below) are inserted in the circuit for UMX and H Switches (below).
    7. The settings of the Back Selector (in the basic back matrix section) and the Phase Switch for each matrix are in the table below:
      (Dsct = Discrete, HA = Hall Ambience, DS = Dolby Surround, nm is lowercase to make other settings more visible)
      MATRIX DsctDQEV-4QSSQEV-U UQCQHADS
      SELECT DIBMBMRMPMPM PMCMBMRM
      PHASE nmnmnmRVRVRV RVRVnmRV



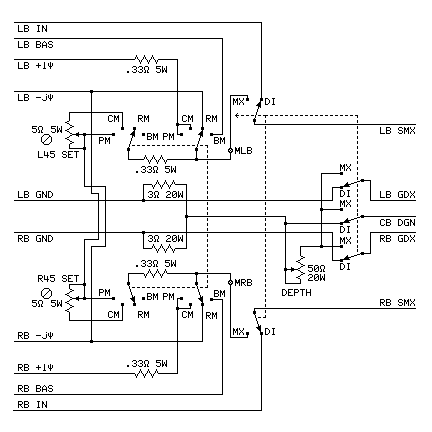
  5. Back Autovary

    PART II - ADDING FEATURES †

    UQ-44 back autovary

    Back Autovary

    Autovary increases separation between the channels based on program material direction.

    Autovary never suppresses the amount of ambience in a recording the way gain-riding systems did.

    No kind of pumping or other audible shifting of images occurs with Autovary.

    BELIEVE IT OR NOT, THIS PASSIVE DECODER HAS AUTOVARY SEPARATION ENHANCEMENT WITHOUT AMPLIFIERS.

    1. This is inserted in place of the DEPTH control in the Basic Back Matrix Decoding section above. Connect the circuit terminals to the places where the DEPTH control connects.
    2. Use the AUTOVARY B control to set the amount of back Autovary effect.
    3. Select the correct lightbulb.

      The #49 lightbulb has been discontinued. However, other bulbs are available with the same characteristics. #48 is #49 with a different base.

      Use the following procedure:

      • - Multiply the channel power output in watts by the nominal speaker impedance in ohms.
      • - Take the square root of the above product to get the max useful power output voltage.
      • - Divide the max power output voltage by 5 to get the optimum lightbulb voltage.

      - You want a small instrument panel light, not a large illumination lamp.

      - The hot resistance should be between 25 and 35 ohms.

      - If the amplifier burns out the bulb, get a bulb with a higher voltage.

      Sample light bulb values:

      BULBVOLTSAMPSWATTS HOT OHMSCOLD OHMSMAX AMP WATTSBASE
      #482 V.06 A.12 W 333.320 WMiniature Screw
      #492 V.06 A.12 W 333.320 WMiniature Bayonet
      #14903.2 V.16 A.512 W 202.032 WMiniature Bayonet
      #446.3 V.25 A.1.6 W 252.5120 WMiniature Bayonet
      #517.5V..22 A1.65 W 343.4175 WMiniature Bayonet
    4. Buy spare bulbs. They might discontinue them.
    5. Set the B-BAL control to the minimum resistance of the lightbulb with an ohmmeter.
  6. Front Autovary
    UQ-44 front autovary

    Front Autovary

    Autovary increases separation between the channels based on program material direction.

    1. This is inserted in place of the F-BAL control in the Basic Front Matrix Decoding section above.
       - Connect the circuit terminals to the places where the F-BAL control connects.
    2. Use the AUTOVARY F control to set the amount of front Autovary effect.
    3. Use the same lightbulb type the Back Autovary uses.
    4. Set the F-BAL control to the minimum resistance of the lightbulb with an ohmmeter.
    5. Front Autovary is not as effective as Back Autovary.
  7. Bass Booster
    UQ-44 bass booster

    Bass Boost

    The bass booster raises the level of bass (which is usually nondirectional).
     - It does this by sending all of the bass to all 4 speakers with no matrix decoding.

    1. If the Basic Back Matrix Decoding section above is used as is,
    2. The Bass Booster is inserted in parallel with the DEPTH control.
    3. If the Back Autovary is used as is, The Bass Booster is connected to the same two terminals in parallel with the Back Autovary circuit.
    4. If the Back Presets circuit is used, it should be added after the Back Autovary and Bass Booster circuits are in place.
    5. Turn on the Bass Booster to send the deep bass to all four speakers.
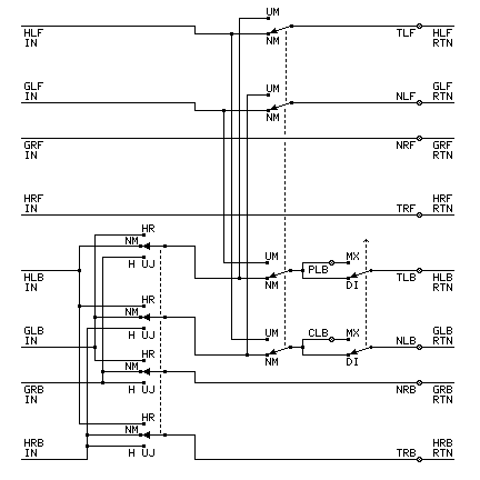
  8. UMX and H Switches
    uq44 input output

    UMX and H

    UMX and H Switch circuits:

    1. The H-UJ-HR Selector switch selects special matrix decoding:
      • NM - NORMAL OPERATION - Uses the matrix selected by the Basic Back Matrix Decoding section (above) or the Presets (below).
      • H UJ - Modifies the SQ or PM Matrix selected in the Basic Back Matrix Decoding section or the Presets to approximate either the BBC Matrix H or Ambisonic UHJ. Also selects the correct phases for these matrices with the Phase switch set for PM operation.
      • HR - Modifies the SQ or PM matrix selected in the Basic Back Matrix Decoding section or the Presets to approximate accidentally phase-reversed Matrix H. Also selects the correct phases for this matrix with the Phase switch set for PM operation.
    2. The UM Selector switch selects other special matrix decoding:
      • NM - NORMAL OPERATION - Uses the matrix selected by the Basic Back Matrix Decoding section (above) or the Presets (below).
      • UM - Modifies the SQ or PM Matrix selected in the Basic Back Matrix Decoding section or the Presets to decode the DENON UMX, BMX, or baseband UD-4. Also selects the correct phases for this matrix with the Phase switch set for PM operation.

        Note that the listener faces the left front speaker to hear this matrix.

    3. Do not select a special matrix on both of these switches at the same time. The matrix so obtained is stupid (diagonally opposite speakers have the same signal).
    4. The phase switch selects the phase of the left back channel.
    5. If the basic matrix selector is installed, the phase switch is changed to match the phase requirements of each matrix according to the table below. It can also be used to try different methods.
    6. If the preset matrix selector (below) is installed, the phase switch is automatically correct in the NM position. In this case, the manual phase switch is used to override the preset setting to try different methods.
    7. The circuit for the UMX and H Switches section diagram (right) is inserted at the points labeled Hxx and Gxx (where xx is the quadraphonic channel) in the output diagram (above).

      - The signals come into the Hxx IN and Gxx IN terminals in this diagram.

      - The signals go out of the Hxx RTN and Gxx RTN terminals in this diagram.

    8. One of the circuits for the Matrix Presets section diagram (below) is inserted at the points labeled PLB and CLB in the UMX and H diagram (right).
      If Presets are not used, the portion of the DI-MX switch on this page can be omitted.
    9. The circuit for the Speaker Orientation section diagram (below) is inserted at the points labeled Txx and Nxx (where xx is the quadraphonic channel) in the output diagram (right).
    10. The settings for UQ-44 using the Back Select circuit for each matrix are in the table below:
      (Dsct = Discrete, HA = Hall Ambience, DS = Dolby Surround, nm is lowercase in the table to make other settings more visible)
      MATRIX DsctDQEV-4QSSQEV-U UQCQHAHUJHRUM DSBMRMPMCM
      BACK SELECT DI BM BM RM  PM PM  PM CM BM PM  PM PM PM  RM BM RM PM CM 
      WIDTH KNOB byp50.0 Ω12.0 Ω4.25 Ω 27.0 Ω12.0 Ω6.43 Ω5.33 Ω 4.25 Ω 27.0 Ω12.0 Ω27.0 Ω50.0 Ω 50.0setsetsetset
      DEPTH KNOB byp10.9 Ω32.0 Ω5.65 Ω 5.33 Ω5.33 Ω3.75 Ω5.33 Ω 50.0 Ω 0.00 Ω0.00 Ω0.00 Ω0.00 Ω 50.0setsetsetset
      H-UJ-HR SELECT nmnmnmnmnmnm nmnmnmHUJHRnm nmnmnmnmnm
      UM SELECT nmnmnmnmnmnm nmnmnmnmnmnmUM nmnmnmnmnm
      PHASE (Back Select) nmnmnmRVRVRV RVRVnmRVRVRVRV RVnmRVRVRV
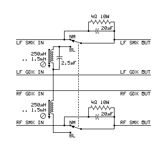
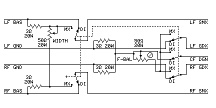
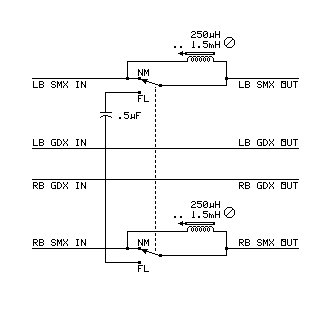
  9. Front Phased Crossblend (partly cures side-imaging problem)
    uq44 front blend

    Front Crossblend

    Front Phased Crossblend:

    1. This is inserted in the front channels at the point between the front matrix decoder outputs (SMX and GDX) and the output section.
    2. This was a modification of the Bauer headphones circuit.
      It provides cross signals that make the speakers act more like headphones.
    3. This causes a crossblend between the front channels with a slight delay in the process. This helps with the side-imaging problem.
    4. This circuit was added as an experiment. It is not necessary for normal decoding purposes.
    5. This circuit was an attempt to make a stable side image and further stabilize the front image.
    6. The idea was to make it hard for the listener to find the speakers themselves.
    7. The idea behind this circuit didn't work very well.
    8. This circuit would work better if there was a phase reversal in it.
    9. Adjustment of this crossblend is done by adjusting the two inductors.
      They are adjusted so the blend is slight at mid frequencies and the delay is maximized.
      This was done by ear. Without an inductance bridge,
      the exact values cannot be recovered.
    10. Turn on the crossblend to synthesize a front field.
  10. Back Filter (for Dolby Surround)
    uq44 Back Filter

    Back Filter

    Back Low-Pass Filter

    1. This is inserted in the back channels at the point between the back matrix decoder outputs (SMX and GDX) and the output section.
    2. This provides the low-pass filter needed to properly decode Dolby surround recordings.
    3. This keeps the center front dialogue leakage out of the surround channel.
    4. Adjustment of this filter is done by adjusting the two inductors.
      They are adjusted so that center back signals are filtered out above 7 KHz.
    5. The two inductors must be set to the same value.
      This can be done by ear with a mono record.
      Balance the two channels to sound equal.
    6. If an impedance bridge is available, set the inductors to 1 mH.
    7. An alternate circuit uses two .5 uF capacitors, with each one connected to its switch and to the GDX line on the same channel.
      In this case, leave out the capacitor between the two FL positions on the switch.
    8. This can be used to remove record noise from the back channels.
      This is useful when new and old (especially mono) records are mixed together in a stack on a record changer.
    9. Turn on the Back Filter to remove out-of-phase sound above 7 KHz.
  11. Headphone Circuits
    uq44 headphones

    Headphones

    This works with 2-speaker or 4-speaker headphones.

    There are three controls.

    The Headphone Input selector has 4 positions:

    The Front Headphone Mode selector has 5 positions:

    The Back Headphone Mode selector has 5 positions:

    Notes:
    - All unspecified resistors are rated 0.5 watt.
    - The Fixler Headphone System was invented by Jon Fixler.
    - The Bauer Headphone System was invented by Benjamin Bauer.
    - This circuit cannot work with UMX, BMX, Matrix H, HR, or UJ.
    - This circuit was redesigned from the original UQ44 design, which was not nearly as useful.

    The following table shows the switch positions for the desired use of the headphones:

    DESIRED FUNCTION PHONES DIRECT TO PHONES FIXLER ENCODE BAUER ENCODE
    TYPE# Sets INPUTF OUTB OUT INPUTF OUTB OUT INPUTF OUTB OUT
    HEAR UNCHANGED STEREO2 ch1 or 2 DI2DIRDIR DI2FIXFFIXFDI2BAUFBAUF
    HEAR ENHANCED STEREO2 ch1 or 2 DI2DIRDIR DI2FIX2FIX2DI2BAU2BAU2
    HEAR DECODED MATRIX2 ch1 or 2 MBLDIRDIR MBLFIX2FIX2MBLBAU2BAU2
    HEAR DISCRETE QUAD IN 2-CH PHONES*2 ch1 or 2 MBLDIRDIR MBLFIX2FIX2MBLFIX2FIX2
    HEAR UNCHANGED STEREO IN 4-CH PHONES4 ch1 DI2DIRDIR DI2FIXFFIXFDI2BAUFBAUF
    HEAR ENHANCED STEREO IN 4-CH PHONES4 ch1 DI2DIRDIR DI2FIXFFXBBDI2BAUFFXBB
    HEAR DISCRETE QUAD4 ch1 DI4DIRDIR DI4FIXFFXBBDI4BAU2FXBB
    HEAR DECODED MATRIX QUAD4 ch1 MX4DIRDIR MX4FIXFFXBBMX4BAUFFXBB

    * The DI-MX switch must be set to DI.




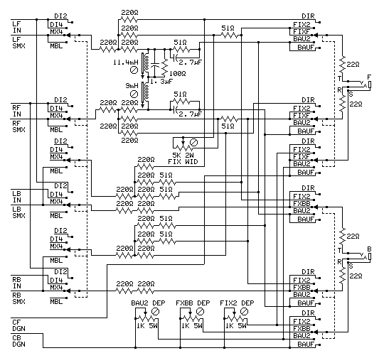
  12. Matrix Presets

    PART III - FUN STUFF †

    uq44 presets

    Matrix Presets

    The presets provide the correct settings for each matrix without the user having to fiddle with settings when switching between matrix systems.

    1. There is a set of preset settings for each of the 7 matrices the selector switch has a position for.
      Those positions are (DQ, QS, EV, CQ, SQ, EU, and UQ).
    2. Each such position has a preset setting for WIDTH and DEPTH.
    3. There ARE 4 more positions on the switch that use the front panel WIDTH and DEPTH controls.
      • The VBM position replaces the BM on the original switch above.
        It provides an adjustable basic sum-and-difference matrix (for DQ, EV, and HA).
      • The VRM position replaces the RM on the original switch above.
        It provides an adjustable regular matrix or QM matrix (for QS).
      • The VCM position replaces the CM on the original switch above.
        It provides an adjustable RM-SQ compatible matrix (for CQ).
      • The VPM position replaces the PM on the original switch above.
        It provides an adjustable PM phase matrix (for SQ, EU, UQ, and also UM, H, and HR).
    4. Build the entire rest of UQ44 before adding the presets in the circuitry.
      But leave room in the case for the PRESET switch and the preset potentiometers.
    5. The indicates a screwdriver adjustment inside the case or on the back panel.
    6. Part 1 replaces the WIDTH control in the front decode circuit (W-W).
      The existing 20 Ω 50 W WIDTH control connects to this circuit as shown.
      All potentiometers in part 1 are 20 Ω 50 W
    7. Part 2 replaces the DEPTH control in the back decode circuit (D-D).
      The existing 20 Ω 50 W DEPTH control connects to this circuit as shown.
      All potentiometers in part 2 are 20 Ω 50 W
    8. Part 3 replaces the entire back matrix section with the 4-position selector to the left of the points
      labeled MLB and MRB. The new switch replaces the 4-position switch.
    9. Part 4 is inserted into the left back circuit in the UMX and H Switches section at the points
      labeled PLB and CLB. UMX and H must be installed to install presets.
    10. The settings for UQ-44 using Presets for each matrix are in the table below:
      (Dsct = Discrete, HA = Hall Ambience, DS = Dolby Surround, control other than preset, nm is lowercase in the table to make other settings more visible)
      MATRIX DsctDQEV-4QS SQEV-UUQCQ HAH UJHR UMDS BMRM PMCM
      MATRIX PRESET DI DQ EV-4QS  SQ EV-UUQ CQ  BM PM  PM PM  PM RM  BM RM  PM CM 
      PRESET WIDTH byp50.0 Ω12.0 Ω4.25 Ω 27.0 Ω12.0 Ω6.43 Ω5.33 Ω 4.25 Ω27.0 Ω 12.0 Ω27.0 Ω 50.0 Ω50.0 Ω KnobKnob KnobKnob
      PRESET DEPTH byp10.9 Ω32.0 Ω5.65 Ω 5.33 Ω5.33 Ω3.75 Ω5.33 Ω 50.0 Ω0.00 Ω 0.00 Ω0.00 Ω 0.00 Ω50.0 Ω KnobKnob KnobKnob
      H-UJ-HR SELECT nmnmnmnm nmnmnmnm nmH UJHR nmnm nmnm nmnm
      UM SELECT nmnmnmnm nmnmnmnm nmnm nmnm UMnm nmnm nmnm
      PHASE CONTROL nmnmnmnm nmnmnmnm nmnm nmnm nmnm nmnm nmnm
  13. Speaker Orientation Rotation (as on Sansui QS-1)
    uq44 output and rotation

    Speaker Orientation

    This can also be built as an outboard add-on unit that hooks up to the speaker outputs of any quadraphonic system.
    It can also be built without the output selector switch for just the rotation function.

    Output Selector

    1. OFF - The speakers are turned off.
          - The amplifiers are loaded to prevent damage.
          - Use this for headphone listening.
    2. F - The front speakers are on. The back speakers are turned off.
          - This removes back instruments to compare.
    3. ALL - All speakers are turned on.
          - This is the normal position.
    4. B - The back speakers are on. The front speakers are turned off.
          - This removes front instruments to compare.

    Output Rotator

    1. 180° - Quadraphonic image is turned halfway around.
          - This is like facing the audience at the lectern.
          - This compares front and back instrument placement.
    2. 90°L - Quadraphonic signals rotated to the left by 90°
          - This is like sitting in left-side box seats.
    3. 0° - This is the normal position of the quadraphonic signals.
    4. 90°R - Quadraphonic signals rotated to the right by 90°
          - This is like sitting in right-side box seats.
    5. FLIP - the front and back quadraphonic signals are exchanged on each side
          - This is like facing the orchestra while upside down.
          - This compares front and back instrument placement.
  14. Oscilloscope output for 4-channel display
    uq44 oscilloscope output

    Oscilloscope

    The display on the screen looks just like the Technics scope, but works with any oscilloscope with X-Y input.

    This can also be built as an outboard add-on unit that hooks up to the speaker outputs of any quadraphonic system.




  15. Front Panel

    PART IV - PANEL LAYOUT

    Here is how the page author designed the front panel:

       MATRIX
       PRESET


       

    AUTOVARY
    F LIGHT
    AUTOVARY
    B LIGHT


       

    SPEAKER   
    SELECT   


    WIDTH
    CONTROL
     MATRIX 
    LIGHT
    DEPTH
    CONTROL


        MATRIX 
        DISCRETE 
        AUTOVARY
    F SET
    AUTOVARY
    B SET
        SPEAKER   
    ROTATE   




    LB
    LEVEL
     FRONT 
    LEVEL
    RB
    LEVEL






    AUTOVARY
    ON
    FRONT
    BLEND
    MATRIX
    PHASE
    BACK
    FILTER
    BASS
    BOOST


       INPUT
       SELECT


       

    FRONT 
    HP SEL 
    F  B
    HP JACKS
     BACK
     HP SEL


       

    HEADPHONES   
    INPUT SEL   



† These are not necessary for the operation of the basic decoder.